eai_2000

 

The EAI 2000 Analog Computer

Introduction

The EAI 2000 is the most beautiful analog computer in my collection - the machine dates back to the late 1970s and is a good example of the technological climax of analog computing before its virtually complete extinction.

 

The machine - a pictorial tour

  • The following picture shows the complete EAI 2000 analog computer. The left half of the machine contains 24 hand set potentiometers which are normally used to set coefficients in a calculation. Behind this door is the digital control computer (CSI), the circuitry for generating arbitraty functions, digital controlled attenuators, the power supply, etc.

    The right half of the machine contains most of the analog circuitry which comprises the active computing elements. On the front is the patch panel which provides access to all computing elements for setting up the necessary connections for a calculation.

  • The following picture shows the rear of the hand set potentiometer front plate. Good visible are the 10 turn precision potentiometers which are connected to some readout circuitry which allows automatic readout of all coefficients (this is a feature which is employed throughout the computer - all computing elements can be read out on a digital console, so it is very easy to write down the actual configuration and state of a specific computer setup).

    A neat feature is that the potentiometers are not just simple voltage divides as is common in most other analog computers. All coefficient potentiometers can provide values between +1 and -1 (with respect to the machine unit of 10V).

  • The generation of all necessary timing and control signals (which is no easy task in an analog computer) is performed by a small digital processor incorporated in the EAI 2000 mainframe. This processor is based on a 6800 microprocessor, has 15 kB of EPROM memory which contains the firmware of the system and 2 kB of RAM. The following picture shows the backplane of this digital processor part of the EAI 2000.

  • The backplane of the right half of the system which contains the active computing elements like integrators, summers, multipliers, etc. is shown in the following picture. The ribbon cables are used to interconnect not only digital subsystems of the EAI 2000 but also analog computing circuitry. They provide the connection between the coefficient potentiometers with the analog patch panel, the digital controlled readout system with all active components, etc.

  • To keep the connections between the computing elements and the patch panel short, all computing elements are housed on rather long printed circuit cards which are located directly behind the patch panel as can be seen in the following picture:

  • The last picture gives an impression of the readout and control capabilities provided by the digital console system. The screen is divided into three main sections:

    • The topmost section is used for displaying the settings and voltages of every addressable analog (and digital) computing element in the machine. In this picture, the element with the address A000 is read out. Its output voltage is +0.0017 machine units (a machine unit is 10V) and the type of the element is that of an integrator.
    • The following section is used to control the mode of the EAI 2000 system. Currently the analog part is in the quiescent state (QT), the logic circuitry is cleared (CL) and the global time scale for the integrators is set to 1 (E0).
    • The third and last section shows the state of all computing elements in the system and may be configured by appropriate commands entered into the console keybord.

 

The state of the machine at the first power on was as follows:

  • The blowers went on, the console was beeping constantly and the console screen displayed complete garbage - it really looked quite like the screen shown in the film Matrix. So - obviously - something was wrong with the machine after a rather long time without being in operation.

    As a first attempt in debugging this problem I removed all boards which were not really necessary for the operation of the digital console subsystem, so I removed all analog computing elements, the DVM (digital voltmeter) board, the coefficient potentiometer boards, etc. Unfortunately, this did not change anything - the console still displayed complete garbage and did not respond to any keystroke.

    This was the moment I decided to check all voltages (which was not too simple since the wiring is very dense inside the machine) and this showed a problem: The -5V for some of the old logic circuitry of the console subsystem was only at about -2.3V. In the next step I removed the rest of the boards which still were installed and checked the voltages again - -5V was still out of range with -2.3V, so the problem was in the power supply.

    Fortunately the power supply of the EAI 2000 is quite straight forward in its construction. Each output voltage is provided by a non-monolithic linear regulator circuit which consists mainly of an operational amplifier, a darlington stage and some protection circuitry which includes a foldback subsystem which gets active in case of an overload situation. In addition to this an overvoltage protection system is also present which shorts the output of a regulator which has been out of range.

    My first attempts to locate the problem in the overvoltage protection stage were unsuccessful, but after a little bit of measuring on the board which contains the -5V regulator, I realized that the precision potentiometer used to set the desired output voltage was defective. So the whole problem with the missing -5V was eventually solved quite simply by changing the potentiometer and readjusting the power supply.

    After this all voltages were correct, I reinserted the boards of the digital console subsystem and powered the machine on again. My first impression was that this had solved the problem since the console displayed what I had expected from reading through the manuals - the three section display appeared and showed some informational and error messages due to the missing analog components. After a few minutes, the console display started to flicker and jumped between complete garbage as before and a correct output, so there was another problem in the machine.

    Since all voltages still were in their ranges and showed no ripple when measured with an oscilloscope, I remembered that I had quite similar problems with my TELEFUNKEN analog computers from 1959 and 1961 which turned out to be caused by dirty connectors in the system. So I pulled all boards of the console subsystem and removed and reinserted all socketed integrated circuits (fortunately most of the ICs are soldered directly into the boards so this task did not take too much time).

    After this the console display was stable even during a quite long test run (still without the analog computing elements being installed). The next step was simply reinserting these computing elements. Since then the EAI 2000 is working again and ready to solve differential equations. :-) The only task which has to be performed in the near future is balancing the operational amplifiers since the integrators run quite fast out of range due to misbalanced amplifiers, but this is just an inconvenience since the system as such is working like a charm.

 

An example

  • To show how an analog computer like the EAI 2000 can be actually used to solve a given problem, I made a short mpeg-movie which shows the oscilloscope output of a real calculation performed on this machine.

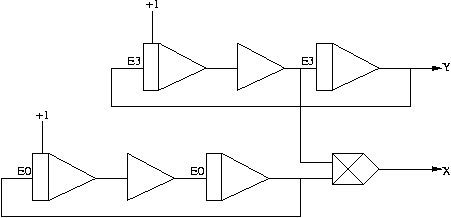
    The setup is as follows: Two integrators and a summer are connected in a loop to solve the simple differential equation f''(x)=-f(x) which has sin(x) as its solution. The time constant of the two integrators is chosen to 0.001s so the generated sine signal has a frequency of 1kHz. Since the first derivation of sin(x) is cos(x), this circuit also generates a cosine signal.

    Another chain consisting of two integrators and a summer is setup in exactly the same way but with a time constant of 1s, so the generated sine signal has a frequency of only 1Hz.

    The sine output of the first circuit is fed to the Y-input of an oscilloscope while the cosine output of the first circuit is multiplied with the sine output of the second circuit and fed to the X-input of the oscilloscope after passing a coefficient potentiometer. This setup is shown in the following picture:

    What happens now, is that the sine and cosine outputs of the first circuit describe a circle to be displayed on the oscilloscope. Since the X coordinate of the circle is multiplied by a very low frequency sine generated by the second integrator chain, the resulting display shows a slowly rotating circle on the oscilloscope screen.

    This output can be seen in a short mpeg encoded video file, which can be downloaded from here. Note that the circle is not perfect on one side, which is due to the fact that the integrators and summers still are not balanced correctly.

What I am looking for...

  • Since my machine is quite a basic model, only about a third of the patch panel is equipped with computing elements. I would love to extend my machine in the future with original EAI modules, so if anyone knows of EAI machines or parts of such machines or documentation, schematics, whatever, please send me an email. I will do my very best to save everything from scrap.

 

29-AUG-2003

ulmann@vaxman.de

webmaster@vaxman.de