Seismic Power Supply

 

A simple power supply for the seismic amplifier

 

Seismic Power Supply

Since in most cases any electronics associated with a seismometer or with geophones will be buried in a seismic vault and will not be accessed over long periods of time, a simple power supply is needed to power the seismic amplifier, and other devices without using (and thus burying) a costly laboratory power supply. The front plate of such a device is shown above - on the right hand side of the case, the power-on switch and the power-on LED can be seen, followed by two fuses for each of the symmetric outputs. In the middle are two green LEDs (one for each voltage) while on the left there are four jacks for distributing the output voltage to the amplifiers, etc.

The following picture shows the rear of the simple power supply - cleary the power cord and the main fuse can be seen:

Seismic Power Supply

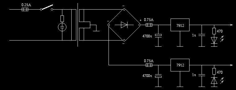
The following schematic shows the interior of the device seen in the both pictures above:

schematic

As can be seen, it is a really simple power supply. It uses a toroidal core transformer (transformers of this type have the advantage of easy mounting :-) and a very reduced stray field) with two independent secondary windings. These are used to generate two stabilizied +/- 12 volt outputs which can be monitored by two LEDs in each path of the stabilizing circuits.

The following picture shows the overall interior of the power supply. Due to the case used, it is of a quite dense contruction. In the middle the toroidal transformer can be seen, in the upper right, the two 4700 uF capacitors can be seen, while on the lower left the two regulator ICs are mounted on the fuse holders.

Seismic Power Supply

The regulators are shown in the following picture - since no large currents will be used (the seismic amplifier draws about 10 mA per supply voltage), no heat sinks have been necessary.

Seismic Power Supply

 

ulmann@vaxman.de

webmaster@vaxman.de